PSP 90 Pätka stĺpika C 91x150x1,8 čierna
Kód: PSP 90 CSúvisiaci tovar
Podrobný popis
ZÁKLADNÁ STĹPA PRISKRUTKOVANÁ K BETÓNU ČIERNA PSP90 91x150x1,8 ŠTVORCOVÁ DOMAX
Originálne produkty od renomovanej spoločnosti Domax®
Táto základňa stĺpika je navrhnutá tak, aby poskytovala výnimočnú pevnosť a funkčnosť, čo z nej robí vynikajúce riešenie pre priemyselné aj stavebné projekty.
Cena "Kúpiť teraz" sa vzťahuje na 1 kus základne stĺpa
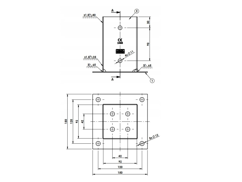
Technické parametre
- šírka - 91mm
- výška základne - 150mm
- hrúbka plechu - 1,8mm
- materiál - S235
- antikorózna ochrana - prášková farba
- počet otvorov - 12 otvorov ø11mm
- nosnosť - 13,40kN
Aplikácia
Základňa stĺpa je konštrukčný prvok používaný v stavebníctve a používa sa na podporu a stabilizáciu stĺpa. Zabezpečuje správnu dilatáciu dreva k podkladu. Základňa stĺpa je navrhnutá tak, aby rozložila sily pôsobiace na stĺp, aby poskytla dostatočnú oporu a zabránila jeho nakloneniu.
Upevnenie
- Tesárske skrutky do základne stĺpa
- skrutky do dreva ø10mm
- oceľové rozperné skrutky M10
- Vložené kotvy M10
Technický výkres
- PSP90 - 92 x 150 x 1,8 [mm]
Ostatné rozmery vešiakov, ktoré máme v ponuke
- PSP70 - 72 x 150 x 1,8 [mm]
- PSP100 - 102 x 150 x 2 [mm]
Certifikáty
- Európske technické schválenie
- Vyhlásenie o úžitkových vlastnostiach
- Osvedčenie o zhode v podnikovej kontrole výroby
Dodatočné parametre
| Kategória: | Pätka stĺpu PSPKotviace pätky pre hranoly 90 mm |
|---|---|
| EAN: | 5907708182180 |
| Pre hranoly: | 90 mm |
Buďte prvý, kto napíše príspevok k tejto položke.
Len registrovaní používatelia môžu pridávať príspevky. Prosím prihláste sa alebo sa zaregistrujte.
O značke Domax
Spoločnosť Domax je európskym lídrom vo výrobe vysokokvalitného stavebného kovania a spojovacích materiálov pre drevostavby. V e-shope Drevospoj.sk sme pre vás vybrali to najlepšie z ich portfólia, aby sme zabezpečili, že vaše konštrukcie budú nielen pevné, ale aj dlhoveké.
Prečo voliť produkty Domax na Drevospoj.sk?
- Certifikovaná kvalita: Produkty spĺňajú prísne európske normy pre bezpečnosť a odolnosť.
- Široký výber: Od tesárskeho kovania, cez uholníky a trámové spojky, až po kotviace pätky – všetko pre profesionálov aj domácich majstrov.
- Dlhá životnosť: Špičkové povrchové úpravy kovania Domax zabezpečujú vysokú odolnosť proti korózii a poveternostným vplyvom.
Či už realizujete krov, terasu alebo záhradný domček, so spojovacím materiálom Domax z Drevospoj.sk máte istotu, že pracujete s materiálom, na ktorý sa môžete spoľahnúť.
